Bygga multikabel
- David Klämberg
- PAR-36

- Inlägg: 287
- Blev medlem: mån 07 nov 2005, 17:22
- Presentation: HaddåHaddåHaddåHaddåHaddåHaddåHaddåHaddå!
- Ort: Kinna
- Kontakt:
- Måns Nilsson
- PAR-56

- Inlägg: 585
- Blev medlem: mån 12 apr 2004, 01:00
- Ort: Stockholm, numera.
- Kontakt:
"Det beror på" är väl det koncisa svaret. Om alla ens saker mår bra och är rimligt korrekt konstruerade så kan man koppla ihop chassi med vad som helst utanför burken och få till det bra. Det blir faktiskt tystare ju mer man kombinerar.
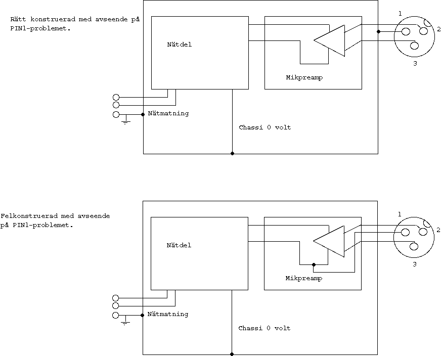
Men, om man har produkter med Pin1-problemet, (och det har alla, utom Cadac) så kan man få konstiga problem när man använder skärmen till det den är designad för, nämligen att leda bort störningar.
Hur blir det så här? Jo, pin1-problemet uppstår ju när din apparat kopplar ihop signaljorden inne i sig själv med kabelskärmen på ett sätt som gör att bästa vägen för att sluta störströmmens krets blir genom mikpreampen, istället för att man bryskt tar ner störningarna i backen. Se bilden:

På "Rätt"-bilden ser vi hur Pin1 kopplas ihop med chassi omedelbart. Helst redan i kontakten.
På "Fel"-bilden så har man gjort som man brukar; man har typiskt tagit en kretskortsmonterad XLR, och bockat ner Pin 1 i 0v-banan på kortet. Det har ju ändå kontakt med jord, se här, 0,3 Ohm till chassi!
Resultatet blir tyvärr att störningarna kommer in bland småsignalerna och förstärks. Hej, brum.
Om ens mixer är byggd "Rätt" så kan man ha alla skärmar ihoplagda. Det kvittar, eller blir snarast bättre med mer kontakt. Om ens mixer är byggd "Fel" så är det dags för voodoo. All bets are off, som man säger.
Men, om man har produkter med Pin1-problemet, (och det har alla, utom Cadac) så kan man få konstiga problem när man använder skärmen till det den är designad för, nämligen att leda bort störningar.
Hur blir det så här? Jo, pin1-problemet uppstår ju när din apparat kopplar ihop signaljorden inne i sig själv med kabelskärmen på ett sätt som gör att bästa vägen för att sluta störströmmens krets blir genom mikpreampen, istället för att man bryskt tar ner störningarna i backen. Se bilden:

På "Rätt"-bilden ser vi hur Pin1 kopplas ihop med chassi omedelbart. Helst redan i kontakten.
På "Fel"-bilden så har man gjort som man brukar; man har typiskt tagit en kretskortsmonterad XLR, och bockat ner Pin 1 i 0v-banan på kortet. Det har ju ändå kontakt med jord, se här, 0,3 Ohm till chassi!
Resultatet blir tyvärr att störningarna kommer in bland småsignalerna och förstärks. Hej, brum.
Om ens mixer är byggd "Rätt" så kan man ha alla skärmar ihoplagda. Det kvittar, eller blir snarast bättre med mer kontakt. Om ens mixer är byggd "Fel" så är det dags för voodoo. All bets are off, som man säger.
--
Måns Nilsson, avdankad skåning, ute ur branschen, lever på
sarkasmer och DVBF.
Måns Nilsson, avdankad skåning, ute ur branschen, lever på
sarkasmer och DVBF.
- Ian Delahorne
- PAR-64

- Inlägg: 1461
- Blev medlem: lör 10 jan 2004, 01:00
- Ort: vettet
- Kontakt:
-
Mikael Thieme
- PAR-64

- Inlägg: 790
- Blev medlem: mån 23 jan 2006, 19:07
- Presentation: Ljudtekniker med nyfikenhet och resvana.
- Ort: Falkenberg
För att inte låta multikablar bli potentiella jordproblem föredrar jag att så långt som möjligt använda tre stift per signal, och därigenom låta varje signal kunna få en egen individuell överföring. Det gör världen litet lättare i alla de fall där man vill använda enskilda par (eller grupper av par) i en multikabel för att förbinda andra prylar än just bara mikrofoner och mixerbord med varandra.
On a related issue, så trivs grova multikablar mycket bättre i lös-åtta-i-case än på vinda.
On a related issue, så trivs grova multikablar mycket bättre i lös-åtta-i-case än på vinda.
- Måns Nilsson
- PAR-56

- Inlägg: 585
- Blev medlem: mån 12 apr 2004, 01:00
- Ort: Stockholm, numera.
- Kontakt:
Ja, IEC har någonstans knåpat ihop en rekommendation att man bör separera skärmarna i en multi. Jag håller nog med, även om det fungerar ändå så länge man har bra pinaler.
En åttad multi är absolut att föredra, ja. Jag tycker också bättre om säg tre stycken 20-parskablar än en 52-par. Man får 8 par till, men det viktigaste är att man kan bli lite mer flexibel; man kan sätta returpiskan i driverack, och man kan om man är lite fiffig, klara sig med två av tre kablar om man haft otur. (Det finns en historia om en hjullastare, en multikabel och ett nattligt snöfall, som inte är så rolig förrän nu. Men det var 3*20 par, med identisk pinout, så det gick att ljuga ihop.)
Ska man bygga själv så är det troligen lättare att få bra pris om man köper 3*70 meter 20par än 1*70 meter 52par, och likadant med kontaktdon.
En åttad multi är absolut att föredra, ja. Jag tycker också bättre om säg tre stycken 20-parskablar än en 52-par. Man får 8 par till, men det viktigaste är att man kan bli lite mer flexibel; man kan sätta returpiskan i driverack, och man kan om man är lite fiffig, klara sig med två av tre kablar om man haft otur. (Det finns en historia om en hjullastare, en multikabel och ett nattligt snöfall, som inte är så rolig förrän nu. Men det var 3*20 par, med identisk pinout, så det gick att ljuga ihop.)
Ska man bygga själv så är det troligen lättare att få bra pris om man köper 3*70 meter 20par än 1*70 meter 52par, och likadant med kontaktdon.
--
Måns Nilsson, avdankad skåning, ute ur branschen, lever på
sarkasmer och DVBF.
Måns Nilsson, avdankad skåning, ute ur branschen, lever på
sarkasmer och DVBF.
- David Wennberg
- PAR-64

- Inlägg: 2770
- Blev medlem: lör 10 jan 2004, 01:00
- Ort: Linköping
Måns Nilsson: Exakt, multidon ska inte överdrivas utan vara lagom multi
Man kan dessutom få till en bättre flexibilitet mellan sina olika multis. Soundforce i Linköping har en lösning jag tycker är väldigt fiffig. 1 multi med 2 24+ 1 retur, 1 multi med 1 24 + 1 retur och en multi med 24. Du kan bygga antingen 2x48, 1x72+1x24 eller 48 och 2x24 - och oavsett vilken lösning så passar alla multis med alla stageboxar.
KISS. Keep It Simple Stupid.
- Nicke Löfgren
- PAR-64

- Inlägg: 4372
- Blev medlem: ons 09 nov 2005, 19:02
- Presentation: En glad prick som gillar att må bra och leva livet
- Måns Nilsson
- PAR-56

- Inlägg: 585
- Blev medlem: mån 12 apr 2004, 01:00
- Ort: Stockholm, numera.
- Kontakt:
När man inte tycker att HAN D 64 är bra så brukar det vara för att man inte smort dem tillräckligt. Eller så har man snålat och kör med pressade stift. För att en HAN D 64 ska vara skön att jobba med så tycker jag att den ska matas rakt, ha svarvade crimpstift, och vara ordentligt kontaktsprayad. Den har oftast utmärkt kontakt ändå, men är om osmord trög att mata till den milda grad att man kan trycka snett och ha sönder saker.
För min favoritstorlek, 20 par, så skulle jag titta en gång till på KPT, också känt som MIL-C-26482. Den finns i en modell med 61 poler, vilket ju räcker precis. KPT känner vi till från den gamla AVAB 24ch analog-multin, men också som BBC OB Connector, som man oftast kablerar med BBC PIF28/1. I bägge dessa fallen så är det både en mindre kåpa och färre poler, nämligen kåpa storlek "16" och 26 poler.
För min favoritstorlek, 20 par, så skulle jag titta en gång till på KPT, också känt som MIL-C-26482. Den finns i en modell med 61 poler, vilket ju räcker precis. KPT känner vi till från den gamla AVAB 24ch analog-multin, men också som BBC OB Connector, som man oftast kablerar med BBC PIF28/1. I bägge dessa fallen så är det både en mindre kåpa och färre poler, nämligen kåpa storlek "16" och 26 poler.
--
Måns Nilsson, avdankad skåning, ute ur branschen, lever på
sarkasmer och DVBF.
Måns Nilsson, avdankad skåning, ute ur branschen, lever på
sarkasmer och DVBF.
- Nicke Löfgren
- PAR-64

- Inlägg: 4372
- Blev medlem: ons 09 nov 2005, 19:02
- Presentation: En glad prick som gillar att må bra och leva livet
Vilka är online
Användare som besöker denna kategori: 7 och 0 gäster

